PIR_MadMax/Autom/README.md

874 B

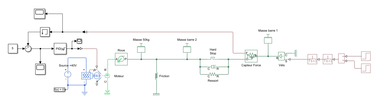
Partie Automatique

Asservir le moteur de la charrette afin qu'il ne soit pas ressenti par le vélo.

Participants

  • [JUL] Julien
  • [NOL] Nolan

Fichiers

  • systeme_capteur_force.slx : modélisation du système global avec librairie Simscape contenant le moteur, un capteur de force ainsi qu'un asservissement PID, voir réponse temporelle face à une suivi du vélo Système modélisé avec capteur de force
  • Bientot : système avec capteur de position avec fonction de transfert sans librairie Simscape

Sources