このウェブサイトにはJavaScriptが必要です。
エクスプローラー
ヘルプ
サインイン
taban
/
PIR_MadMax
ウォッチ
2
スター
3
フォーク
PIR_MadMax はフォーク済み
0
コード
イシュー
4
プルリクエスト
プロジェクト
リリース
パッケージ
Wiki
アクティビティ
Actions
abab34ce57
PIR_MadMax
/
Autom
/
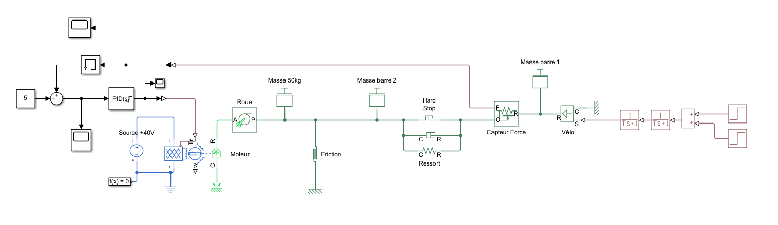
sys_ressort.png
Nolan
55bea15ff3
Ajout dernier fichier matlab + image systeme
2026-02-24 17:54:07 +01:00
52 KiB
実行ファイル
1515x439px
Raw
履歴