This website requires JavaScript.
Explore
Help
Sign in
taban
/
PIR_MadMax
Watch
2
Star
3
Fork
You've already forked PIR_MadMax
0
Code
Issues
4
Pull requests
Projects
Releases
Packages
Wiki
Activity
Actions
83b1611e0c
PIR_MadMax
/
Autom
/
sys_ressort.png
Nolan
55bea15ff3
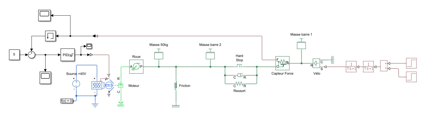
Ajout dernier fichier matlab + image systeme
2026-02-24 17:54:07 +01:00
52 KiB
Executable file
1515x439px
Raw
History