Questo sito richiede JavaScript.
Esplora
Aiuto
Accedi
taban
/
PIR_MadMax
Segui
2
Salva
3
Deriva
Hai già fatto il fork di PIR_MadMax
0
Codice
Segnalazioni
4
Richieste di modifica
Progetti
Rilasci
Pacchetti
Wiki
Attività
Azioni
77d4faf7c1
PIR_MadMax
/
Autom
/
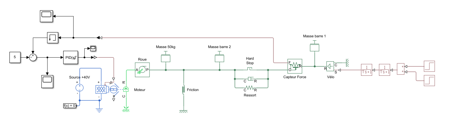
sys_ressort.png
Nolan
55bea15ff3
Ajout dernier fichier matlab + image systeme
2026-02-24 17:54:07 +01:00
52 KiB
File eseguibile
1515x439px
Originale
Cronologia