| .. | ||
| force_ressort.png | ||
| README.md | ||
| sys_ressort.png | ||
| systeme_capteur_force.slx | ||
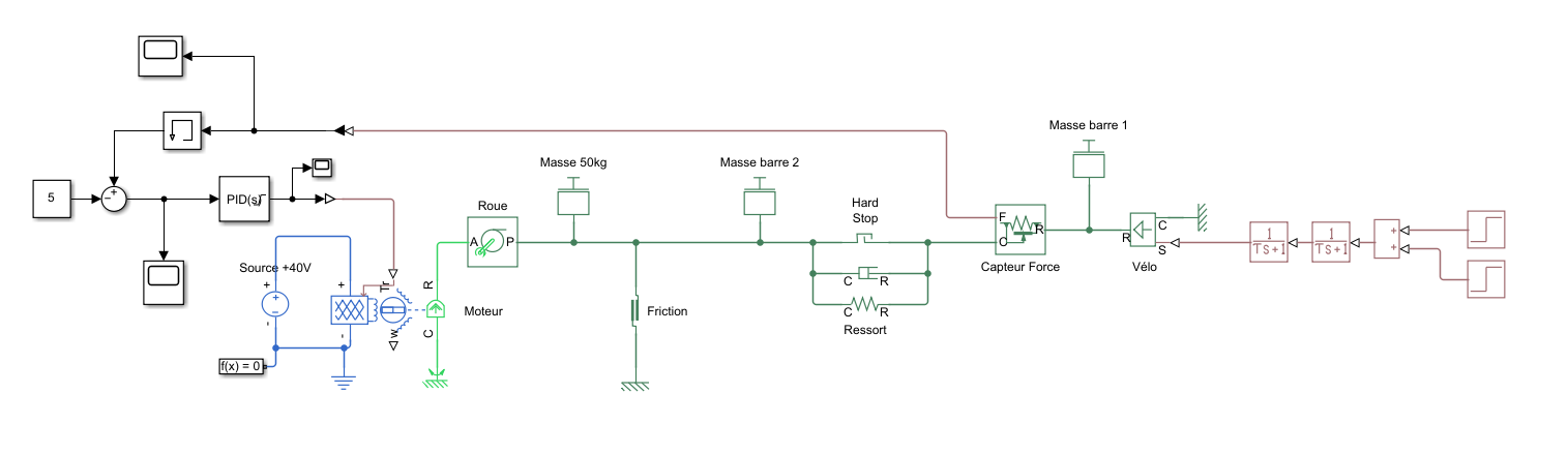
Partie Automatique
Asservir le moteur de la charrette afin qu'il ne soit pas ressenti par le vélo.
Participants
- [JUL] Julien
- [NOL] Nolan
Fichiers
- systeme_capteur_force.slx : modélisation du système global avec librairie Simscape contenant le moteur, un capteur de force ainsi qu'un asservissement PID

- Bientot : système avec capteur de position avec fonction de transfert sans librairie Simscape