PIR_MadMax/Autom
2026-02-24 18:02:48 +01:00
..
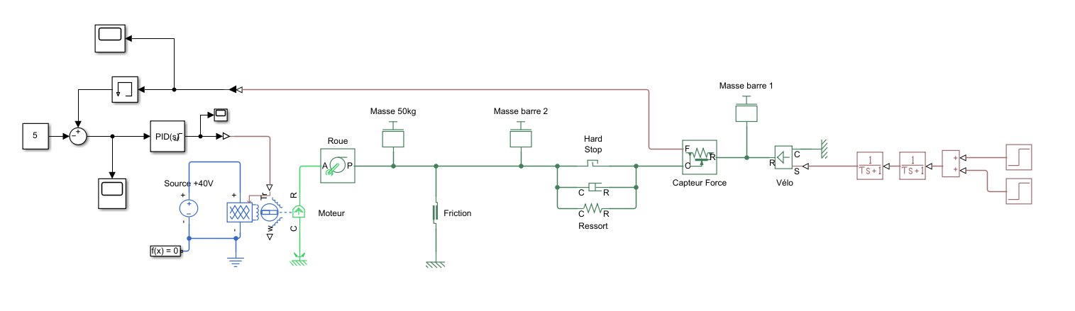
force_ressort.png Ajout dernier fichier matlab + image systeme 2026-02-24 17:54:07 +01:00
README.md Actualiser Autom/README.md 2026-02-24 18:02:48 +01:00
sys_ressort.png Ajout dernier fichier matlab + image systeme 2026-02-24 17:54:07 +01:00
systeme_capteur_force.slx Ajout dernier fichier matlab + image systeme 2026-02-24 17:54:07 +01:00

Partie Automatique

Asservir le moteur de la charrette afin qu'il ne soit pas ressenti par le vélo.

Participants

  • [JUL] Julien
  • [NOL] Nolan

Fichiers

  • systeme_capteur_force.slx : modélisation du système global avec librairie Simscape contenant le moteur, un capteur de force ainsi qu'un asservissement PID Réponse du système Système global avec capteur de force
  • Bientot : système avec capteur de position avec fonction de transfert sans librairie Simscape

Sources