Для этого сайта требуется поддержка JavaScript.
Обзор
Помощь
Вход
taban
/
PIR_MadMax
Отслеживать
2
В избранное
3
Ответвление
У вас уже есть ответвление PIR_MadMax
0
Код
Задачи
4
Слияния
Проекты
Выпуски
Пакеты
Вики
Активность
Действия
3914bb253d
PIR_MadMax
/
Autom
/
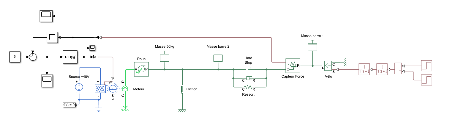
sys_ressort.png
Nolan
55bea15ff3
Ajout dernier fichier matlab + image systeme
2026-02-24 17:54:07 +01:00
52 КиБ
Исполняемый файл
1515x439px
Исходный
История