Bu web sitesinin çalışması için JavaScript gereklidir.
Keşfet
Yardım
Giriş Yap
taban
/
PIR_MadMax
İzle
2
Yıldızla
3
Çatalla
PIR_MadMax deposunu zaten çatalladınız
0
Kod
Konular
4
Değişiklik İstekleri
Projects
Sürüm
Paketler
Wiki
Aktivite
İşlemler
2d3fbd5644
PIR_MadMax
/
Autom
/
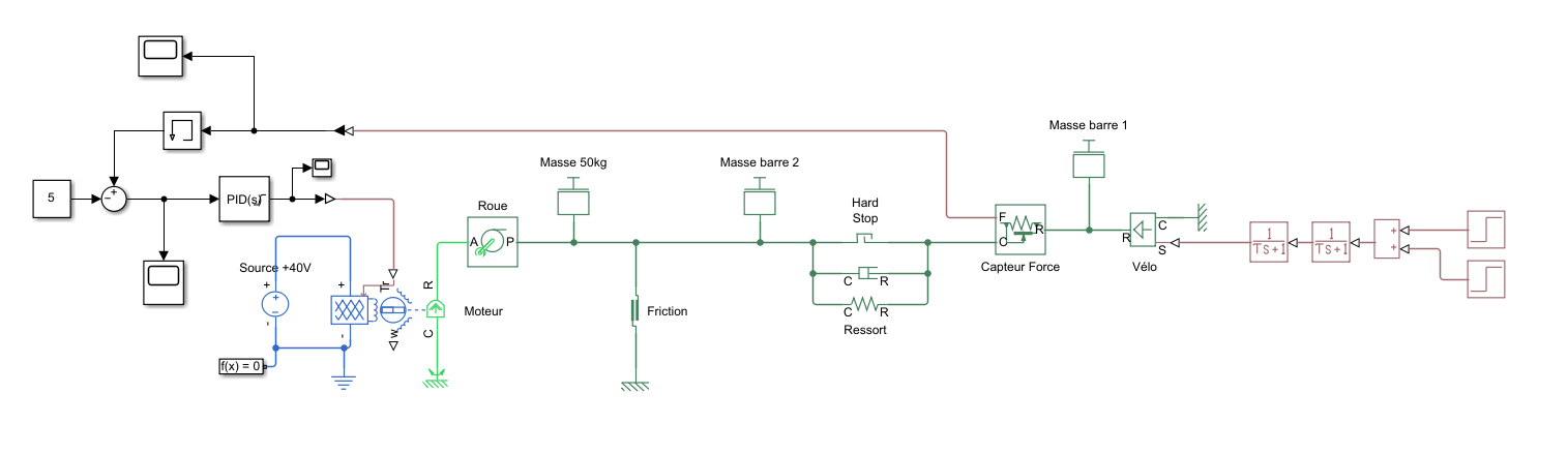
sys_ressort.png
Nolan
55bea15ff3
Ajout dernier fichier matlab + image systeme
2026-02-24 17:54:07 +01:00
52 KiB
Çalıştırılabilir Dosya
1515x439px
Ham
Geçmiş