此网站需要 JavaScript。
探索
帮助
登录
taban
/
PIR_MadMax
关注
2
点赞
3
派生
你已经派生过 PIR_MadMax
0
代码
工单
4
合并请求
项目
版本发布
软件包
百科
动态
Actions
152b203eb0
PIR_MadMax
/
Autom
/
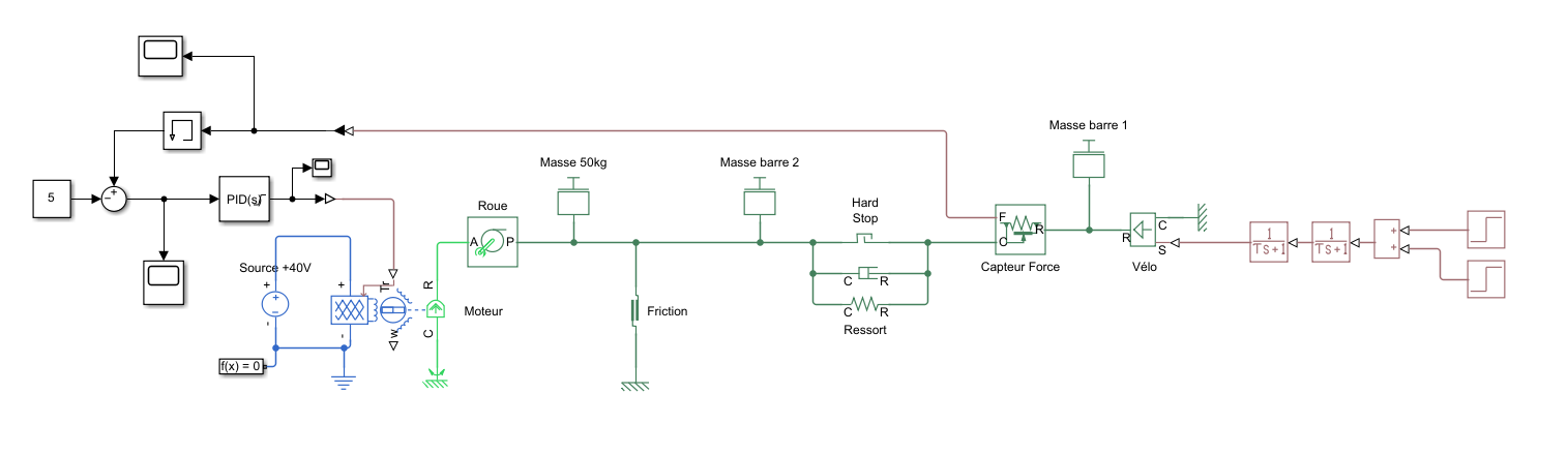
sys_ressort.png
Nolan
55bea15ff3
Ajout dernier fichier matlab + image systeme
2026-02-24 17:54:07 +01:00
52 KiB
可执行文件
1515x439px
原始文件
文件历史